产品搜寻
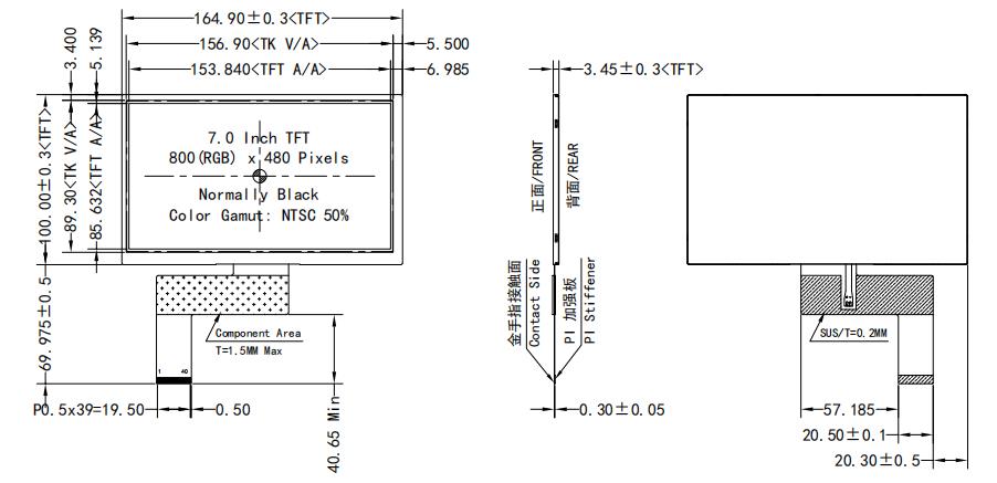
类型:TFT 显示屏
显示像素:800x480
外形尺寸(mm) :164.9x100.0x3.45
VA尺寸(mm):153.84x85.632
AA尺寸(mm) :7.0
应用:户外设备
视角:IPS
背光/亮度:900cd/m2
引脚:FPC-40pin
接口方式:RGB
特殊说明:8KV 防静电 (ESD)
工作温度:-30~85℃
供电电压:+3.3V
这款高性能7英寸模块采用先进的IPS广视角TFT显示屏,经过精心设计,旨在成为现代中央控制和人机交互系统的首选视觉界面。其核心设计在于真正的IPS广视角TFT显示屏所提供的无与伦比的视觉清晰度,确保在超宽广的视角范围内始终呈现清晰明亮的图像。这一关键特性保证了无论从正面还是从偏轴角度观看,所有数据、图形元素和状态指示器都能保持清晰易读且色彩稳定。这消除了传统面板常见的视觉劣化问题,使这款IPS广视角TFT显示屏成为多操作员环境或屏幕不在主视线范围内的安装环境中不可或缺的组件。
卓越的视觉性能直接源于面板中嵌入的先进IPS广视角TFT显示技术。这项技术能够稳定液晶分子,使其在与屏幕平行的平面内运行,从而在几乎所有视角下都能保持亮度和色调的一致性。该显示屏呈现鲜艳的色彩和清晰的细节,为地图、原理图、系统仪表盘和实时监控画面提供了出色的图形显示平台。此外,高亮度背光确保即使在光线昏暗的控制室或顶灯较强的环境中,这款IPS广视角TFT显示屏上的内容也能保持清晰生动。
除了卓越的光学性能外,这款IPS广视角TFT显示屏还专为满足严苛的工业应用需求而设计,具有极高的耐用性和无缝集成性。它具备强大的静电放电防护功能,可保护敏感电子元件免受潜在瞬态事件的影响。该模块可在宽广的温度范围内可靠运行,确保在严寒和高温环境下都能稳定启动、高效运行并拥有长久的使用寿命。它采用紧凑流线型设计,并通过柔性印刷电路连接器支持标准RGB接口,方便工程师将其轻松集成到各种系统架构中。从交通枢纽和工业自动化到先进的仪器仪表,该模块证明了专业级 IPS 可视角度 TFT 显示屏的可靠性和视觉优势,使其成为任何对观看自由度、色彩准确性和运行可靠性要求极高的应用的最佳选择。

IPS可视角度TFT显示屏代表了液晶显示(LCD)技术的一项重大进步,其主要设计目的是为了解决传统扭曲向列(TN)面板固有的可视角度受限问题。其核心创新在于平面转换(IPS)设计,该设计重新调整了液晶的排列方式,从而显著提升了从非中心位置观看时的视觉性能。

在传统的TFT显示屏中,液晶通过扭曲来阻挡或允许光线通过。然而,这会导致从侧面观看时出现色彩偏移、对比度下降甚至图像反转。IPS可视角度TFT显示屏从根本上改变了这一机制。在IPS显示屏中,液晶平行于面板基板排列,并在施加电压时进行水平(“平面内”)旋转。这种平行运动最大限度地减少了斜角观看时的光线阻挡和图像失真。因此,IPS可视角度TFT显示屏能够在宽广的视角范围内(通常可达水平和垂直178度)始终如一地提供卓越的色彩精度、稳定性和高对比度。

IPS广视角TFT显示屏的卓越性能使其成为多人观看或屏幕方向可变应用场景的首选。它是专业显示器(如图形设计、医疗成像)以及高端智能手机、平板电脑和电视等消费电子设备的标准配置。用户可以享受始终如一、栩栩如生的图像,而不会出现其他面板类型常见的色彩偏移,使其成为协作办公和媒体消费的理想之选。
需要注意的是,IPS面板也存在一些不足之处。与TN面板相比,IPS面板的响应速度略慢,生产成本略高,并且由于需要更强的背光来维持亮度,其功耗也略高。然而,现代技术已在很大程度上弥补了这些差距。在优先考虑视觉保真度和广视角一致性时,IPS广视角TFT显示屏仍然是标杆技术,能够平衡性能和可靠性,满足最苛刻的视觉任务需求。